查看: 12857|回复: 7

Air001天问Block图形化编程

[复制链接]

41

主题

171

帖子

4379

积分

版主

Rank: 7Rank: 7Rank: 7

积分
4379
发表于 2024-2-6 17:12:58 | 显示全部楼层 |阅读模式
本帖最后由 zly188 于 2024-2-6 17:58 编辑

合宙的Air001低价格高性价比,很多开发者手上都有,但很多开发者点了一次灯,就放在边上积灰,给我说中了吧!天问Block采用图形化模式管理了单片机的各类外设和库,可以方便打通各种单片机,可以很方便地开发应用,学了一个单片机后其他单片机几乎不用学习就可以使用。现在天问Block打通了32位芯片TW32F003和Air001,两种芯片的区别就在于flash大小不一样,TW32F003是64K、Air001是32K;RAM不一样,TW32F003是8K、Air001是4K;其他定时器什么资源完全一样。
天问Block的官方下载工具是STC-LINK,只要给Air001写入一个Bootloader(天问内部已经内置),就可以很方便地用天问Block一键下载,很爽。


1.软件准备:下载天问Block 2024春节测试版  https://haohaodada.com/video/new/zipfiles/twenBlock_sf.zip
2.硬件准备:Air001开发板 、STC-LINK
71ae0c31a6aefca855c41058ecdd87c.png

air001.png
3.硬件连接

Air001开发板的通过杜邦线,3.3V连接到STC-LINK的3V,RXD连接到STC-LINK的T,TXD连接STC-LINK的R,GND连接到STC-LINK的G。
ffdbe73457ee1b400cf6e7ac2f5699d.jpg
4.打开天问Block软件,插入STC-LINK(也可以其他USB-TTL串口,其他的USB串口就是要插拔GND断电火候比较难把控),选择设备Air001,找到更多菜单下的“烧写Bootloader”。
image.png
5.跳出烧写窗口。
image.png
6.按住Air001开发板BOOT键,再按RST键,松开RST键,再松开BOOT键,就会进入Bootloader烧写状态,等待烧写完成。
image.png
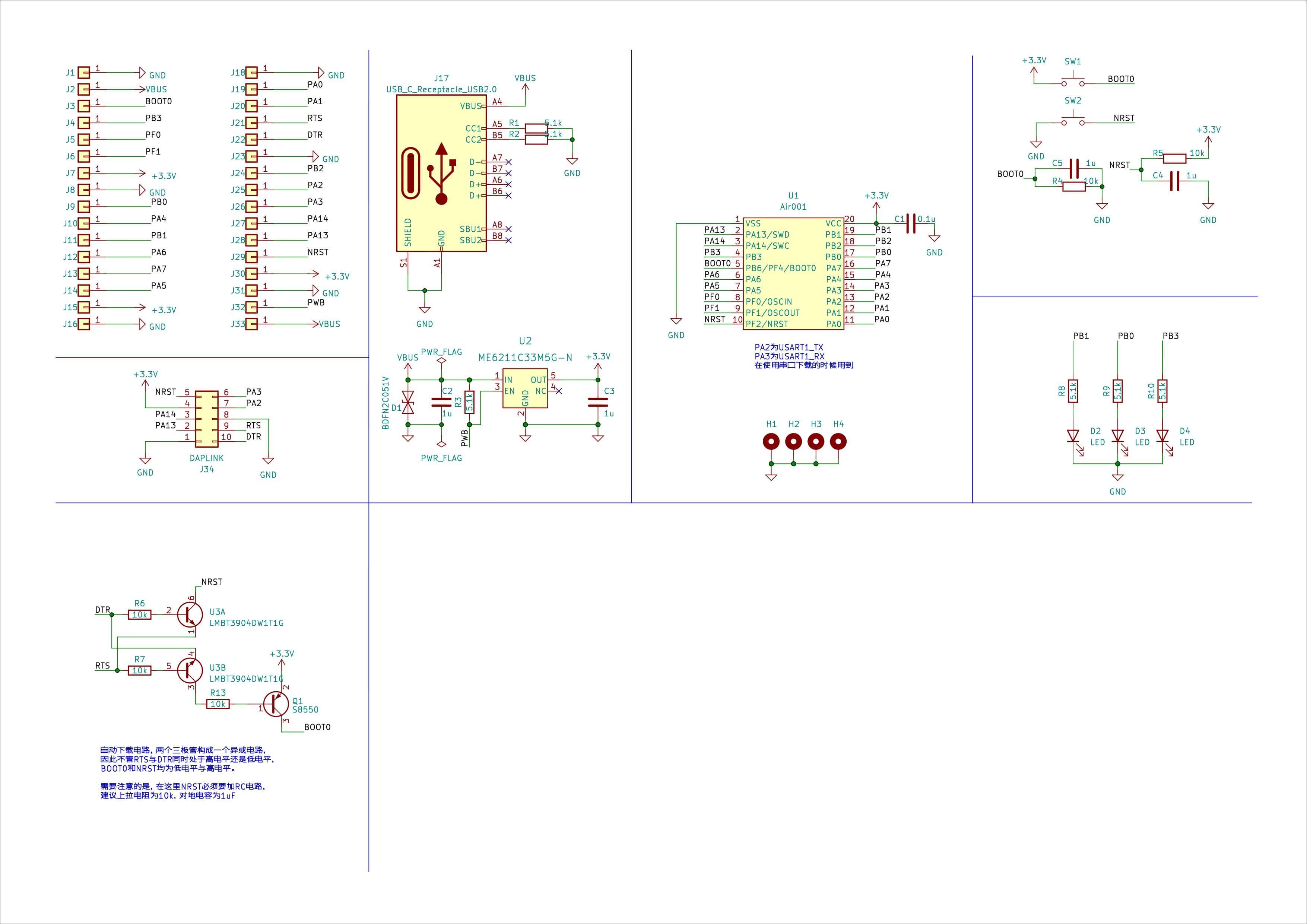
7.查看Air001开发板原理图,PB0、PB1和PB3对应三个LED。
air001_hw.jpg
8.编写程序如下,可以控制LED闪烁。
image.png

9.点击编译下载,程序自动下载(用STC-LINK下载器)到开发板,中间绿色LED闪烁。

视频链接如下:




回复

使用道具 举报

0

主题

1

帖子

8

积分

注册会员

Rank: 2

积分
8
发表于 2024-4-9 12:32:51 | 显示全部楼层
请问老师,能下载bootloader,然后无法下载固件,怎么解决。(air001)
回复

使用道具 举报

0

主题

1

帖子

4

积分

注册会员

Rank: 2

积分
4
发表于 2024-10-1 07:49:34 | 显示全部楼层
在天问 block 中 怎么设置 air001  运行频率
回复

使用道具 举报

0

主题

1

帖子

20

积分

注册会员

Rank: 2

积分
20
发表于 2024-10-15 22:34:05 | 显示全部楼层
bootloader 下好了,只有普通的串口下载器,能下载程序吗
回复

使用道具 举报

0

主题

1

帖子

18

积分

注册会员

Rank: 2

积分
18
发表于 2024-10-20 08:10:02 | 显示全部楼层
能使用串口中断吗?
回复

使用道具 举报

0

主题

1

帖子

8

积分

注册会员

Rank: 2

积分
8
发表于 2025-1-21 09:58:36 | 显示全部楼层
qq2751828530 发表于 2024-4-9 12:32
请问老师,能下载bootloader,然后无法下载固件,怎么解决。(air001)

我也一样,用的官网最新版,bootloader正常烧录。fw.bin怎么都无法正常烧写。
回复

使用道具 举报

0

主题

1

帖子

4

积分

注册会员

Rank: 2

积分
4
发表于 2025-6-23 14:00:32 | 显示全部楼层
在没有使用官方的STC-LINK下载器时,下载程序到AIR001开发板时,点击编译&下载后,出现一下界面

下载界面

下载界面

在按一下板上的rst复位按钮,就会自动下载了
回复

使用道具 举报

1

主题

12

帖子

161

积分

注册会员

Rank: 2

积分
161
发表于 2025-9-25 09:20:14 | 显示全部楼层
liu95 发表于 2025-6-23 14:00
在没有使用官方的STC-LINK下载器时,下载程序到AIR001开发板时,点击编译&下载后,出现一下界面

冷知识:把 天问Block\tw32f003文件夹下的Twen003ISP.exe文件复制到air001文件夹下替换同名文件,再在天问Block点 编译&下载 会随时成功。

以前自己的解决方法都是先刷一次bootloader再刷fw.bin,循环往复。
回复

使用道具 举报

您需要登录后才可以回帖 登录 | 立即注册

本版积分规则

QQ|Archiver|手机版|小黑屋|好好搭搭在线 ( © 好好搭搭在线 浙ICP备19030393号 )

GMT+8, 2025-12-14 19:38 , Processed in 0.108031 second(s), 25 queries .

Powered by Discuz!

© 2001-2025 Comsenz Inc.

快速回复 返回顶部 返回列表